专注铸造行业智能化转型升级
提供软件+硬件+咨询服务一体的完整解决方案

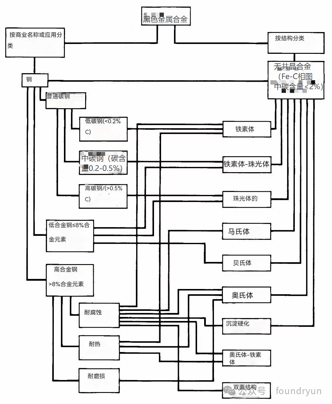
钢及铸铁导论2/N

来源: | 作者:市场部 | 发布时间: 2025-10-30 | 853 次浏览 | 分享到:

统一编号系统(UNS)鉴于不同系统造成的混乱,多家技术学会和美国政府机构共同制定了所谓的统一编号系统。每个钢种成分都有对应的UNS牌号,它由一个字母和随后的五位数字组成。该系统完全包含了AISI/SAE体系。例如,AISI/SAE 1040钢的UNS牌号为G10400。字母"G"代表AISI/SAE普通碳钢和合金钢。其他黑色合金采用不同字母标识,如:"F"表示铸铁和铸钢(铸钢也可使用"J"),"D"表示具有特定力学性能的钢,"S"表示耐热和耐腐蚀钢,"T"表示工具钢,"H"表示具有更高淬透性的钢。本书中优先采用AISI/SAE牌号,  仅因其目前比UNS牌号应用更广泛。但在附录的参考表中,同时列出了两种牌号。本章将酌情使用所有分类体系。对于某些钢种,使用AISI/SAE体系可能更为简便,而对于其他钢种,则可能适用ASTM体系。我们首先使用AISI/SAE体系,考察仅按成分分类的方法。该体系已确立多年,在工业领域应用广泛。

碳钢与低合金钢

碳钢与低合金钢的总体分类涵盖普通碳钢、合金钢及高强度低合金钢。

图片


1.1 钢的分类图谱


新闻资讯